Welcome to the official website of Wuxi Qiya Huadong Vibration Isolation Technologies Co., Ltd.   中文  | Email |  
    Hot Phone:+86-510-8283 5711

Products

CKST series flexible double-sphere rubber joint

Location: Home > Products


【Click to enlarge】



Introduction:

This product is reinforced by multiple layers of nylon or polyester cord fabric in the inner layer and designed with rubber sphere and loose metallic flange in the outer layer. High pressure resistance, good elasticity, significant displacement, good effect of vibration absorption and noise reduction, and easy for installation; widely used in the piping systems of water supply and drainage, HVAC, fire control, compressor, papermaking, pharmaceutical, ship, pump, fan and other fields.

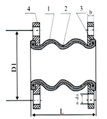
Joint materials:

S.N Part Material
1 Main body Polarized rubber
2 Lining Nylon or polyester cord fabric
3 Casing Hard wire or steel ring
4 Flange Low-carbon or stainless steel

Technical requirements:

Model item CKST-F(I) CKST-F(Ⅱ) CKST-F(Ⅲ)
Working pressure MPa(kgf/cm²) 2.0(20) 1.2(12) 0.8(8)
Bursting pressure MPa(kgf/cm²) 6.0(60) 3.5(35) 2.4(24)
Vacuum degree kPa(mmHg) 100(750) 86.7(650) 53.3(400)
Suitable temperature (℃) -20~+115
Applicable media Air, compressed air, water, sea water, hot water, weak acid, etc.
Both ends of the joint can be arbitrarily deflected, easy for free adjustment of axial or lateral displacement.

Main data table (flange dimensions in the table are CB 46-2007 / T 1.0 MPa) :

Nominal drift diameter DN Length L(mm) Flange thickness b(mm) Bolt numbern Diameter of bolt hole d(mm) Diameter of central circle in bolt hole D1(mm) Axial displacement(mm) Transverse displacement (mm) Offset
Angle
(mm) (inch) Elongation Compression
40 1¹/2 175 14 6 15 93 30 50 45 40°
50 2 175 14 6 15 103 30 50 45 40°
65 2¹/2 175 14 6 15 123 30 50 45 40°
80 3 175 14 8 15 138 30 50 45 40°
100 4 225 14 8 15 158 35 50 40 35°
125 5 225 14 10 15 183 35 50 40 35°
150 6 225 14 12 15 208 35 50 40 35°
200 8 325 17 12 17 273 35 60 35 30°
250 10 325 21 14 21 336 35 60 35 30°
300 12 325 21 16 21 391 35 60 35 30°


 
Privacy Policy     Terms of use    About Qiyao   News   Recruitment    Contact    Website Print   Email   Top
 
 
About Qiyao Products News Strength Recruitment Contact
           
Company Profile
Leader's speech
Company culture
Organization Chart
General View
Vibration isolation products for large-medium power equipments
Vibration isolation products for medium-small power equipments
Universal rubber vibration isolation products
Metal type vibration products
Locomotive vehicle vibration damping products
Rail transit vibration isolation products
Special report
Company news
Industry News
Design Capability
Manufacturing Capability
Testing Capability
Recruitment concept
Recruitment
Contact
Feedback
 
COPYRIGHT © 2016 WUXI QIYAOHUADONG VIBRATION ISOLATION TECHINOLOGIES CO.,LTD. All rights reserved
WUXI QIYAOHUADONG VIBRATION ISOLATION TECHINOLOGIES CO.,LTD. ALL RIGHT RESERVED.
Su ICP:14007868No.1