CM-Ⅱ(G)型隔振器

【点击查看大图】
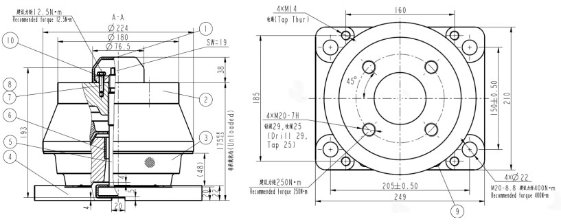
1、防油帽;2、上座板;3、锥形减振圈;4、下座板;5、缓冲限位螺栓;6、橡胶圈;
7、锁紧螺钉;8、弹簧垫圈;9、铭牌;10、锁紧环。
规格和性能参数:
| 型号 |
CM-Ⅰ -1 |
CM-Ⅰ -2 |
CM-Ⅰ -3 |
CM-Ⅰ -4 |
| 额定载荷(kN) |
3 |
4 |
6 |
8 |
| 型号 |
CM-Ⅰ -5 |
CM-Ⅰ -6 |
CM-Ⅰ -7 |
CM-Ⅰ -8 |
| 额定载荷(kN) |
10 |
12 |
14 |
16 |
| 变形量(mm) |
5.0±1.0 |
| 固有频率(Hz) |
8.0±1.5 |
| 参考重量(kg) |
3.2(铝合金) |
| 型号 |
CM-Ⅱ(G) -1A |
CM-Ⅱ(G) -1B |
CM-Ⅱ(G) -2 |
CM-Ⅱ(G) -3 |
| 额定载荷(kN) |
29 |
33 |
41 |
47 |
| 型号 |
CM-Ⅱ(G) -4 |
CM-Ⅱ(G) -5 |
CM-Ⅱ(G) -6 |
CM-Ⅱ(G) -7 |
| 额定载荷(kN) |
52 |
58 |
67 |
74 |
| 变形量(mm) |
8.0±1.0 |
| 固有频率(Hz) |
8.0±1.5 |
| 参考重量(kg) |
14.3(铝合金) |
| 型号 |
CM-Ⅲ(G)-1 |
CM-Ⅲ(G)-2 |
CM-Ⅲ(G)-3 |
CM-Ⅲ(G)-4 |
CM-Ⅲ(G)-5 |
| 额定载荷(kN) |
25 |
32 |
36 |
43 |
48 |
| 变形量(mm) |
8.0±1.0 |
| 固有频率(Hz) |
8.0±1.5 |
| 参考重量(kg) |
8.4(铝合金) |
| 型号 |
CM-Ⅳ-1 |
CM-Ⅳ-2 |
CM-Ⅳ-3 |
CM-Ⅳ-4 |
CM-Ⅳ-5 |
| 额定载荷(kN) |
25 |
32 |
36 |
43 |
48 |
| 变形量(mm) |
9.0±2.0 |
| 固有频率(Hz) |
7.0±1.0 |
| 参考重量(kg) |
9.2(铝合金) |
| 型号 |
额定载荷(kN) |
垂向静刚度(kN/m) |
纵向静刚度(kN/m) |
横向静刚度(kN/m) |
参考重量(kg) |
| CM-Ⅴ-1 |
20 |
4300×(1±10%) |
7550×(1±10%) |
3150×(1±10%) |
8.2(铝合金) |
| 型号 |
额定载荷(kN) |
承载载荷(kN) |
参考硬度(shore A) |
额定载荷下
静变形(mm) |
参考重量(kg) |
| CM-Ⅵ-1 |
6.8 |
9.1 |
46° |
6.4±1.0 |
13.7(碳钢) |
| 型号 |
CM-Ⅶ-1 |
CM-Ⅶ-2 |
CM-Ⅶ-3 |
CM-Ⅶ-4 |
| 额定载荷(kN) |
29 |
33 |
41 |
47 |
| 型号 |
CM-Ⅶ-5 |
CM-Ⅶ-6 |
CM-Ⅶ-7 |
CM-Ⅶ-8 |
| 额定载荷(kN) |
52 |
58 |
67 |
74 |
| 变形量(mm) |
10.0±1.5 |
| 固有频率(Hz) |
6.0±1.0 |
| 参考重量
(kg) |
30.5(碳 钢)
17.7(铝合金) |
| 型号 |
CM-Ⅷ-1A |
CM-Ⅷ-1B |
CM-Ⅷ-2 |
CM-Ⅷ-3 |
| 额定载荷(kN) |
6 |
9 |
12 |
15 |
| 型号 |
CM-Ⅷ-4
|
CM-Ⅷ-5
|
CM-Ⅷ-6 |
CM-Ⅷ-7 |
| 额定载荷(kN) |
18 |
21 |
25 |
32 |
| 变形量(mm) |
7.0±1.0 |
| 固有频率(Hz) |
7.0±1.0 |
| 参考重量
(kg) |
9.5(铝合金) |
性能特点:
具有压缩和剪切复合的承载方式,体积小,重量轻,但承载能力强;
同样的外形尺寸和安装尺寸,可选配不同型号的橡胶锥形减振元件,得到不同的承载能力,有利于隔振布置时的载荷分配;
内置可调式的缓冲限位结构,满足了船舶在风浪海况下航行时机组摇摆的限位稳定要求;
组合式的装配结构,便于减振弹性元件的维护保养和更换,降低了隔振器的维护成本。
适用机型:
MAN B&W L23/30、L16/24、L21/31、L27/38、L28/32和L32/40系列
DAIHUTSU (大发) 5DK-20系列
WARTSILA (瓦锡兰) AUXPAC系列
DEUTZ (道依茨) MWM TBD系列等
CATERPILLAR系列等
部分实船应用照片:

WARTSILA 8L26柴电机组 |

MAN 7L 16/24 柴电机组 |

CATERPILLAR 3512B柴电机组 |
| |
|
|

MAN 5L 16/24柴电机组 |

MAN 6L 21/31柴电机组 |

铝合金隔振器安装布置 |