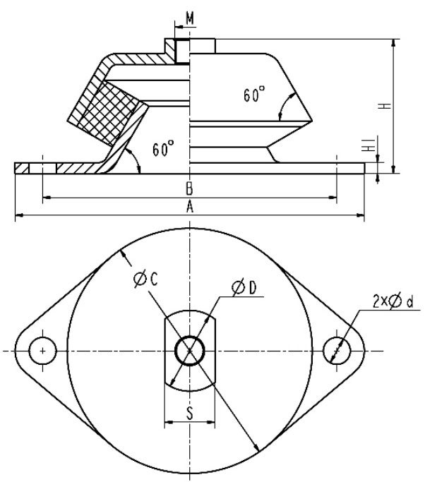
Main specification and technical data of Z series isolator
| Model |
M |
A |
B |
C |
D |
S |
H |
H1 |
d |
| Z1 |
12 |
120 |
95 |
75 |
30 |
19 |
40 |
3 |
12 |
| Z2 |
16 |
170 |
140 |
115 |
40 |
28 |
58 |
4 |
14 |
| Z3 |
20 |
225 |
185 |
155 |
50 |
36 |
75 |
5 |
18 |
| Z4 |
22 |
250 |
210 |
180 |
55 |
40 |
90 |
7 |
20 |
| Z5 |
24 |
285 |
240 |
200 |
66 |
41 |
110 |
9 |
22 |
| Model |
Rated load in
vertical direction (kN) |
Static deformation under
vertical load (mm) |
Natural frequency at vertical
load rating (Hz) |
Weight(kg) |
| Z1 |
1.0 |
~3 |
~12 |
0.33 |
| Z2 |
2.0 |
~5 |
~10 |
0.90 |
| Z3 |
3.5 |
~7 |
~9 |
2.35 |
| Z4 |
6.0 |
~8.5 |
~8 |
4.25 |
| Z5-A |
10.0 |
10±1.5 |
7±1.0 |
6.10 |
| Z5-B |
20.0 |
10±1.5 |
7±1.0 |
6.10 |
| Z5-C |
25.0 |
10±1.5 |
7±1.0 |
6.10 |