Welcome to the official website of Wuxi Qiya Huadong Vibration Isolation Technologies Co., Ltd.   中文  | Email |  
    Hot Phone:+86-510-8283 5711

Products

SH type series double plate vibration isolator

Location: Home > Products


[Click to enlarge]


[Click to enlarge]


[Click to enlarge]


SH-type double-plate series isolator main specifications and technical data

Unspecified units: mm
Model L1 L H1 H H2 B L3 L2
SH-500 160 230 22 68 16 90 100 198
SH-750 200 280 22 68 16 110 100 238
SH-1150 Dimensions as shown
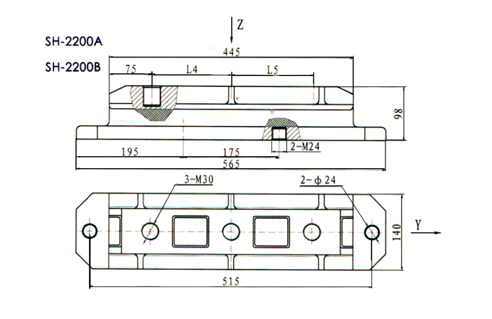
Model L4 L5
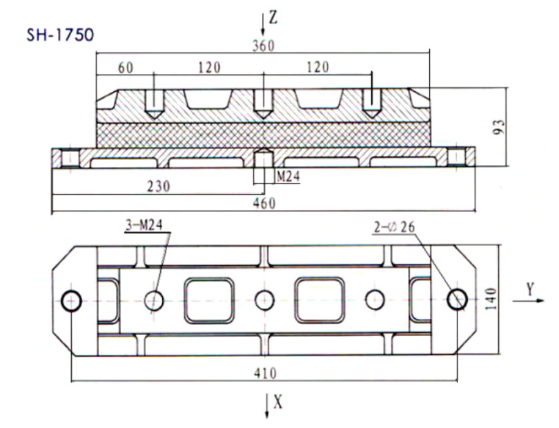
SH-1750 Dimensions as shown
SH-2200A 150 145
SH-2200B 140 180

Model Rated load(kN) Static deformation at
rated load (mm)
Natural frequency
at rated load (Hz)
Working temperature
range(°C)
Weight(kg)
SH-500 5.0 0.6~1.1   -5 ~ +70 5.4
SH-750 7.5 0.6~1.1   8.2
SH-1150 11.5 0.4~0.9 25±3.0 10.2
SH-1750 17.5 0.4~0.9 25±3.0 19.1
SH-2200A 22.0 0.3~0.9   25.9
SH-2200B 22.0 0.3~0.9   25.0

Scope of application:

Mainly used for vibration reduction and sound insulation of ship machinery, main and auxiliary engines and other equipments.

 
Privacy Policy     Terms of use    About Qiyao   News   Recruitment    Contact    Website Print   Email   Top
 
 
About Qiyao Products News Strength Recruitment Contact
           
Company Profile
Leader's speech
Company culture
Organization Chart
General View
Vibration isolation products for large-medium power equipments
Vibration isolation products for medium-small power equipments
Universal rubber vibration isolation products
Metal type vibration products
Locomotive vehicle vibration damping products
Rail transit vibration isolation products
Special report
Company news
Industry News
Design Capability
Manufacturing Capability
Testing Capability
Recruitment concept
Recruitment
Contact
Feedback
 
COPYRIGHT © 2016 WUXI QIYAOHUADONG VIBRATION ISOLATION TECHINOLOGIES CO.,LTD. All rights reserved
WUXI QIYAOHUADONG VIBRATION ISOLATION TECHINOLOGIES CO.,LTD. ALL RIGHT RESERVED.
Su ICP:14007868No.1